

高溫傳感器,平面承載,結構合理。承載機構簡單可靠,使用簡單,便于安裝,廣泛應用于鋼鐵行業的連鑄大包秤.中間包秤.天車秤等稱重系統。
High temperature load cell, planar load bearing bridge, reasonable structure. Simple and reliable load bearing, easy to use, simple to install, Widely used in consecutive-casting bale scale, middle bag scale, steel ladle scale, traveling crane scale and other weighing systems in steel industry.
| 技術參數Technical Parameter | |
| 額定載荷Rated Load | 20t,30t,40t,50t,60t,80t,120t |
| 靈敏度Sensitivity | 2.0000±0.002mV/V |
| 綜合誤差Total Error | ±0.02%F.S |
| 蠕變Creep(30minutes) | ±0.02%F.S |
| 推薦工作電壓Recommended Excitation Voltage | 5V~18V(AC or DC) |
| 最大工作電壓Maximum Excitation Voltage | 24V(AC or DC) |
| 零點平衡Zero Balance | ±1%F.S |
| 輸入阻抗Input Impedance | 775±10Ω |
| 輸出阻抗Output Impedance | 700±5Ω |
| 絕緣阻抗Insulation Impedance | ≥5000MΩ |
| 安全過載率Safe Overload | 150%F.S |
| 極限過載率Ultimate Overload | 200%F.S |
| 工作溫度范圍Operating Temperature Range | (-30~+70)℃ |
| 溫度補償范圍Compensated Temperature Range | (-20~+60)℃ |
| 輸出溫度影響Temperature Effect On Load | ±0.02%F.S/10℃ |
| 零點溫度影響Temperature Effect On Zero | ±0.02%F.S/10℃ |
| 材質Construction | 合金鋼Alloy Steel |
| 防護等級Protection Class | IP68&IP67 |
| 引用標準Citation | GB/T7551-2008/OIML R60 |
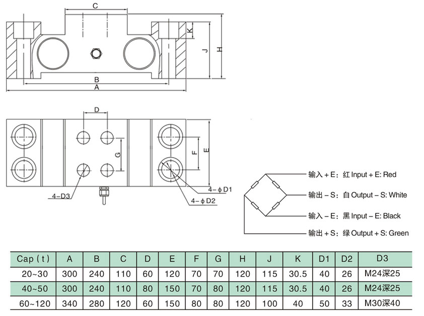
| 接線方式Mode of Connection | 輸入+:紅?Input+:Red 輸入-:黑?Input-:Black 輸出+:綠?Output+:Green 輸出-:白?Output-:White |